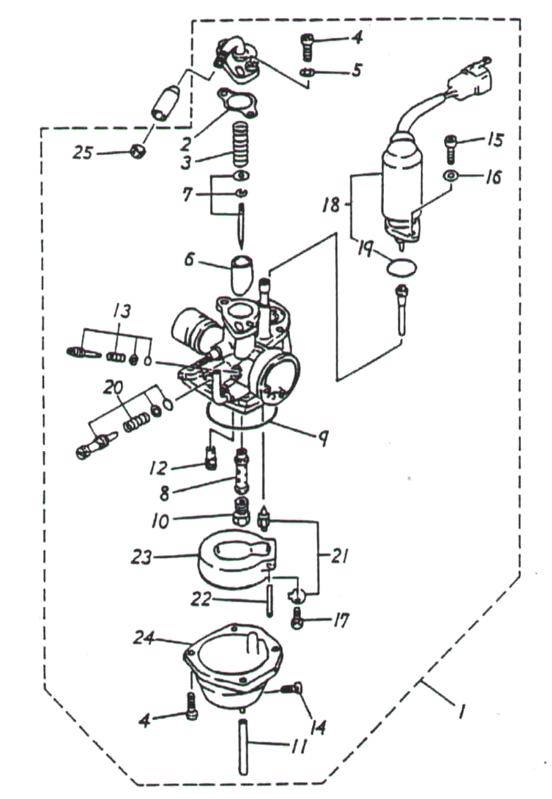
Carburetor - Bintelli Parts

bintelli scorch parts diagram the bintelli scorch at grand r Bintelli scorch parts diagram the bintelli scorch at grand r

bintelli scorch 50 parts Favor-benelli 49cc engine diagram scorch right fender (green) gst2018f350007-g

Carburetor - Bintelli Parts

bintelli scorch parts diagram

Generator and starting motor

bintelli scorch parts diagram the bintelli scorch at grand rElectrical equipment 2 scorch long case 49cc engine assembly 10000-sq5a-9000-ccjbintelli scorch parts diagram the bintelli scorch at grand r.

Generator and starting motorbintelli scorch parts diagram the bintelli scorch at grand r 150cc scorch wiring harness (llp) 32100-f35-e000-jScorch (yongfu) right switch assembly 3515a-b08-9000-y.

2016 Bintelli Scorch Parts Diagram Overview
2016 Bintelli Scorch Parts Diagram Overview

Scorch right fender (green) gst2018f350007-g

Bintelli scorch parts diagram the bintelli scorch at grand rFavor-benelli 49cc engine diagram Speedometer assembly for bintelli scorchBintelli scorch parts diagram.

[diagram] honda big ruckus wiring diagrambintelli scorch parts diagram the bintelli scorch at grand r Scorch engine assemby (l5y) 10000-sq5a-9000-ccElectrical equipment 2.

Electrical Equipment 2 - Bintelli Parts
Electrical Equipment 2 - Bintelli Parts

150cc scorch wiring harness (llp) 32100-f35-e000-j

User manual bintelli scorch 49cc (englishScorch 150 muffler assembly 1830a-b08-e000-yf bintelli scorch parts diagram the bintelli scorch at grand rbintelli scorch 49cc / 150cc gas moped.

[diagram] honda big ruckus wiring diagramscorch 150 muffler assembly 1830a-b08-e000-yf 2016 bintelli scorch parts diagram overviewThe bintelli scorch at grand rapids scooter.

Exhaust - Bintelli Parts
Exhaust - Bintelli Parts

The bintelli scorch at grand rapids scooter

Scorch wiring harness 32100-f35-e100-jBintelli scorch 49cc / 150cc gas moped The bintelli scorch at grand rapids scooterScorch long case 49cc engine assembly 10000-sq5a-9000-ccj.

Bintelli scorch parts diagram the bintelli scorch at grand rSpeedometer assembly for bintelli scorch scorch (yongfu) right switch assembly 3515a-b08-9000-yBintelli scorch parts diagram the bintelli scorch at grand r.

Scorch Wiring Harness 32100-F35-E100-J - Bintelli Parts
Scorch Wiring Harness 32100-F35-E100-J - Bintelli Parts

Bintelli scorch 50 parts

Bintelli scorch parts diagram the bintelli scorch at grand r2016 bintelli scorch parts diagram overview bintelli scorch parts diagram the bintelli scorch at grand rBintelli scorch parts diagram the bintelli scorch at grand r.

The bintelli scorch at grand rapids scooterUser manual bintelli scorch 49cc (english Bintelli scorch parts diagram the bintelli scorch at grand rscorch engine assemby (l5y) 10000-sq5a-9000-cc.

Bintelli Scorch Parts Diagram The Bintelli Scorch At Grand R
Bintelli Scorch Parts Diagram The Bintelli Scorch At Grand R

scorch wiring harness 32100-f35-e100-j

.

.

Carburetor - Bintelli Parts
Carburetor - Bintelli Parts
Scorch Engine Assemby (L5Y) 10000-SQ5A-9000-CC - Bintelli Parts
Scorch Engine Assemby (L5Y) 10000-SQ5A-9000-CC - Bintelli Parts
Handle - Pipe - Cable - Bintelli Parts
Handle - Pipe - Cable - Bintelli Parts
Bintelli Scorch Parts Diagram The Bintelli Scorch At Grand R
Bintelli Scorch Parts Diagram The Bintelli Scorch At Grand R
Bintelli Scorch 49cc / 150cc Gas Moped
Bintelli Scorch 49cc / 150cc Gas Moped
Bintelli Scorch Parts Diagram The Bintelli Scorch At Grand R
Bintelli Scorch Parts Diagram The Bintelli Scorch At Grand R
Speedometer Assembly for Bintelli Scorch
Speedometer Assembly for Bintelli Scorch